Referenties

Columbus Innovation Group heeft reeds meerdere interessante projecten en studies uitgevoerd. Door de diversiteit in kennis van de verschillende disciplines samen te voegen in projectteams, geeft CIG de mogelijkheid om klanten van een passend advies te voorzien: “Connecting Professionals for the best Solutions in Water & Energy”. In het navolgende is een opsomming gegeven van recent uitgevoerde projecten op het gebied van de thema’s water/slibbehandeling en duurzame energieopwekking.

Thema water- en slibbehandeling


Jan. – Mei 2024
Opdrachtgever: Waterschap Vechtstromen

De RWZI Hardenberg is verouderd en voldoet niet aan de huidige stand der techniek. De zuivering moet hiervoor worden aangepast. De bestaande RWZI is voorzien van een ondiepe omloopsloot met borstelbeluchting. Om een keuze te kunnen maken voor de benodigde aanpassingen aan de beluchting is er op basis van de huidige situatie, de toekomstige aanvoer (belasting) en bijbehorende zuiveringsresultaten door Columbus Innovation Group (CIG) een variantenstudie uitgevoerd, hierbij zijn drie varianten uitgewerkt:

  • Variant 1: Vervanging bestaande borstelbeluchting;
  • Variant 2: Bestaande borstelbeluchting vervangen door bellenbeluchting;
  • Variant 3: Bouw nieuwe beluchtingstank met bellenbeluchting;

Jaar: 2023 - 2024
Opdrachtgever: Aquaminerals B.V.

Aanleiding voor dit onderzoek was een brandbrief van de werkgroep chemicaliën van 14 februari 2023. Er werd geconstateerd dat leveranciers onvoldoende aanleverden en de prijzen tot grote hoogte stegen. Omdat er geen vooruitzichten waren dat leverproblemen zouden worden opgelost en het zomerseizoen (met toenemende vraag naar ijzer) aanstaande was, heeft de groep de VvZB opgeroepen collectief tot actie over te gaan. Zij hebben dit signaal ter harte genomen en namens het collectief van de waterschappen dit onderzoek in gang gezet. Opdrachtnemer van dit onderzoek was Aquaminerals. Columbus Innovation Group heeft bij het opstellen van de rapportage bijdragen geleverd ten aanzien van een methodiek voor een technologische analyse ten aanzien van de prioritering dosering hulpstoffen op de RWZI’s in Nederland of per beheersgebied van een waterschap. Daarnaast heeft Columbus Innovation Group de technologische consequenties van de dosering van hulpstoffen op de RWZI’s in beeld gebracht. Naast een eindrapportage is er ook een artikel verschenen in het vakblad H2O: lees hier meer

Jaar: 2022 – 2024
Opdrachtgever: Waterschap Hollandse Delta

Als senior procestechnoloog discipline verantwoordelijk voor de volgende ontwerpen:

  • Variantenstudie RWZI Oude Tonge; vergelijking Nereda, ICEAS en UBLAS;
  • Voorontwerp en Definitief ontwerp RWZI Oude Tonge;
  • Voorontwerp en Definitief Ontwerp RWZI Ooltgensplaat;
  • Voorontwerp en Definitief Ontwerp RWZI Den Bommel;
  • Voorontwerp en Definitief Ontwerp RWZI Middelharnis
  • Voorontwerp en Definitief ontwerp RWZI Goedereede
  • Pre-projectfase, voorbereidingsfase en ontwerp fase Sluisjesdijk 2.0
  • Centrale slibontwatering en keuze slibvergistingstechnologie RWZI Dordrecht

Jaar: 2022 – 2023
Opdrachtgever: Hoogheemraadschap van Rijnland

Het voorontwerp zandfiltratie RWZI Velsen is door Columbus Innovation Group samen met Aveco de Bondt opgesteld. Samen met het projectteam van Hoogheemraadschap van Rijnland zijn een aantal sessies uitgevoerd om op basis van expert Judgement te kiezen voor een variant/technologie die verder is uitgewerkt tot een voorontwerp. Ook zijn aanvullende onderzoeken uitgevoerd voor een verdiepte opstelling en de toepassing van Verdygo. Op basis van de genomen besluiten is een Verdygo zandfilter module 216 uitgewerkt tot een voorontwerp.

Jaar: 2023
Opdrachtgever: Aveco de Bondt

Columbus Innovation Group heeft gedurende een aantal dagdelen aan medewerkers van Aveco de Bont een training/cursus aangeboden. Hierbij ging het om een theoretisch deel waarbij voor zowel de waterlijn (incl. 4e trap) als de sliblijn de verschillende disciplines (technologie, civiel, werktuigbouw, procesautomatisering) aan bod zijn gekomen. De cursus is afgerond met een bezoek aan de RWZI Nijmegen waarbij de opgedane theoretische kennis in de praktijk werd gedemonstreerd.

Jaar: 2021 – 2023
Opdrachtgever: Waterschap Hunze en Aa’s

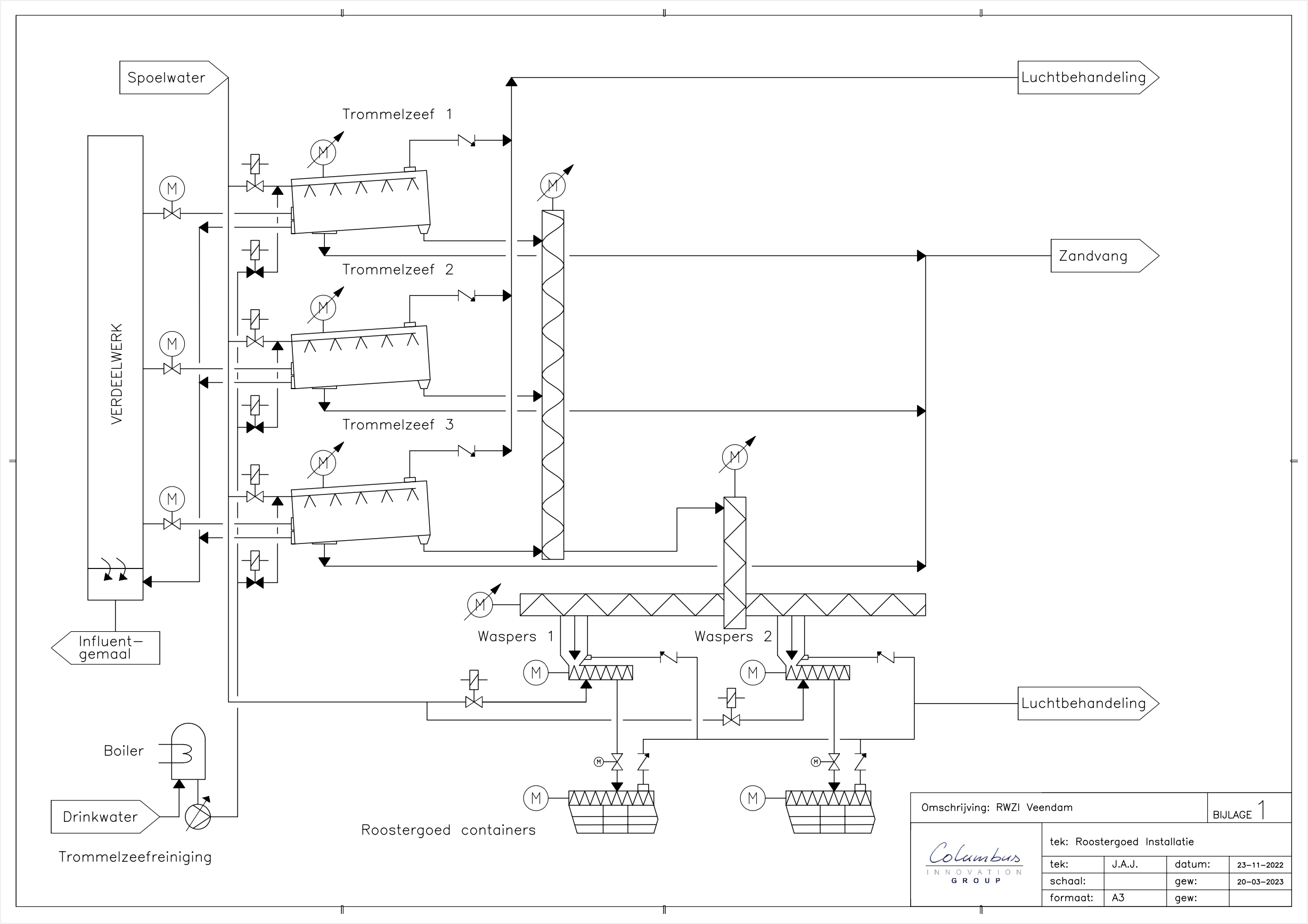
De grofvuil- en zandverwijdering van de RWZI Veendam had het einde van de technische levensduur bereikt en moest daarom vervangen worden. Daarbij dienden de toegepaste technieken worden verbeterd om storingen en energieverbruik te reduceren en verstoringen van de primair slibpompen tot een minimum te beperken. Om de installatie gereed te maken voor de komende 25 jaar zijn de volgende procesaanpassingen uitgewerkt.

  • De perforatieroosters lieten te veel vuil door, deze zijn vervangen door de inzet van zeeftrommels. De roostergoedcontainers zijn vervangen door perscontainers, waardoor het ruimtebeslag met 50% verminderd is.
  • Zandcyclonen hebben een beperkte ontwerpcapaciteit waardoor er bij veel wateraanvoer een verstoring ontstaat. Deze zijn vervangen door het inpassen van één vortec zandvanginstallatie. Deze is buiten het ontvangwerk geplaatst en wordt aangestroomd door een bovengronds aangelegde vrijvervalleiding.
  • De bestaande schakelruimte kon niet worden uitgebreid. Om tijdens de ombouw de bedrijfsvoering zo min mogelijk te verstoren is als onderdeel van het PVA door ruimtelijke herbestemming, de realisatie van een nieuwe schakelruimte in het bestaande ontvangwerk opgenomen.

Jaar: 2022 – 2023
Opdrachtgever: Evides Industriewater

Evides industriewater is de grootste leverancier van waterdiensten in Nederland. Zij ontzorgt door o.a. het zuiveren van afvalwater voor industriële klanten en beheert daartoe de volgende industriële afvalwaterzuiveringsinstallaties (AWZI’s): Centrale Afvalwaterzuivering Botlek (CAB); Foodhub in Europoort Rotterdam; Schiphol; Sloe bij Vlissingen; Zout Afvalwater Zuiveringsinstallatie (ZAWZI) in Delfzijl.

Tot deze taak wordt ook de voorbehandeling en afzet van het vrijkomende zuiveringsslib gerekend.

De slibverwerking maakt substantieel onderdeel uit van de bedrijfsvoering van de AWZI’s en de jaarlijkse bedrijfskosten. Bovendien biedt de afvalstof zuiveringsslib kansen voor de energietransitie en het terugwinnen van grondstoffen, zoals fosfaat. Juist omdat er in Nederland niet echt een markt bestaat voor de afzet van zuiveringsslib, kunnen keuzes die gemaakt worden om de afzetzekerheid te garanderen vaak langjarige consequenties hebben. In dat opzicht is het van belang om de keuzes vanuit strategische overwegingen te kunnen onderbouwen. Evides Industriewater heeft daarom Columbus Innovation Group opdracht gegeven een slibstrategiestudie uit te voeren om de toekomstige strategische keuzes te kunnen onderbouwen.

Jaar: 2020 - 2021
Opdrachtgever: Waterschap Noorderzijlvest

Tijdens de informatiebijeenkomsten met de grondeigenaren en omwonenden van de beoogde nieuwbouw RWZI Westerkwartier te Gaarkeuken is de vraag gesteld waarom het WNZV heeft gekozen voor centralisatie en niet voor decentralisatie. Tevens werd gevraagd waarom de RWZI’s in Marum en Zuidhorn niet open kunnen blijven, zodat er geen persleidingen hoeven worden aangelegd door de percelen van de grondeigenaren. Ook binnen het WNZV zijn er een aantal kritische kanttekeningen gemaakt of de keuze voor centralisatie wel de juiste oplossing is.

Om de gemaakte keuze voor centralisatie nogmaals te toetsen zijn door CIG in opdracht van WNZV drie scenario’s met elkaar vergeleken:
Scenario 1: Centrale variant waarbij het afvalwater van het gehele afvalwatersysteem op de RWZI Westerkwartier (locatie Gaarkeuken) wordt behandeld.

Scenario 2: Decentrale variant waarbij het afvalwater van het afvalwatersysteem afzonderlijk zal worden behandeld op de huidige locaties van de RWZI’s Gaarkeuken, RWZI Zuidhorn en RWZI Marum.

Scenario 3: Het afvalwater van Gaarkeuken en Zuidhorn zal worden behandeld op de nieuwe RWZI Gaarkeuken-Zuidhorn (locatie huidige RWZI Gaarkeuken) en lozen op het Van Starkenborghkanaal.

De effluenteisen voor N- en P zijn voor de RWZI Marum gebaseerd op een in het verleden uitgevoerde E&I analyse en gedurende het project getoetst aan een opnieuw uitgevoerde E&I analyse. Op basis van deze effluenteisen is in de review rekening gehouden met nageschakelde zandfiltratie. Daarnaast is de RWZI Marum aangemerkt als hotspot van organische micro verontreinigingen zodat voor deze locatie ook rekening is gehouden met een nabehandelingsstap voor medicijnrestenverwijdering (Ozon).

Op basis van de afzonderlijke investeringskosten per RWZI en de investeringskosten voor de betreffende transportleidingen zijn de totale investeringskosten en de exploitatiekosten per scenario berekend. Naast de financiële vergelijking zijn ook andere aspecten beschouwd die een mogelijk invloed op de keuze kunnen hebben.

Jaar: 2020 - 2021
Opdrachtgever: Waterschap Vechtstromen

De RWZI Tubbergen heeft onvoldoende capaciteit om te kunnen voldoen aan de geldende lozingsnormen. Daarnaast is de RWZI sterk verouderd en voldoet niet meer aan de huidige stand der techniek.

In oktober 2020 is Columbus Innovation Group in opdracht van Waterschap Vechtstromen gestart met de variantenstudie RWZI Tubbergen. Gedurende de studie zijn verschillende zuiveringsprocessen (Phoredox, BCFS en Nereda) afgewogen om te komen tot een voorkeursvariant. Door de strenge effluenteisen bleek de toepassing van nageschakelde techniek voor alle varianten noodzakelijk. Ten behoeve van de slibverwerking is voor alle varianten een scenario met gravitaire indiking en mechanische indikking uitgewerkt.

Voor de vergelijking van de verschillende varianten van de waterlijn en de sliblijn zijn de technologische- , financiële- en duurzaamheidsaspecten (o.a. CO2 footprint) verder uitgewerkt.

Verder is voor alle varianten ook de verwachte geuremissie berekend en vergeleken met de huidige berekende geuremissie van de RWZI Tubbergen.

Op basis van de uitgevoerde variantenstudie is een voorkeursvariant geselecteerd. Voor deze voorkeursvariant is een budgetraming opgesteld.

Jaar: 2018/2019
Opdrachtgever: Waterschap Drents Overijsselse Delta

Columbus Innovation Group heeft in opdracht van Waterschap Drents Overijsselse Delta onderzoek uitgevoerd naar de hoedanigheid van de slibverwerkingsinstallatie op de RWZI Echten. De slibverwerkingsinstallatie was uit bedrijf genomen, omdat de veiligheid voor de werknemers niet langer gegarandeerd kon worden. Tijdens het onderzoek is vooral aandacht geschonken aan de procesuitvoering, bedrijfsveiligheid (ATEX) en de status van de toegepaste materialen, machines en procesbesturing. Het eindrapport dient ter ondersteuning en advisering aan het Waterschap Drents Overijsselse Delta ten behoeve van de doorstart van de slibverwerking RWZI Echten.

Jaar: 2020
Opdrachtgever: Waterschap Vallei en Veluwe (IPM team)

De procestemperatuur van de gistingstanks en de SBR’s van de Bio-energiecentrale Harderwijk loopt in de zomer onbeheersbaar hoog op. Door de hoge temperatuur in combinatie met de pH en de heersende ammoniumconcentratie in de gistingstanks is een situatie ontstaan waarbij de groei van bacteriën werd beperkt (inhibitie). Om dit te kunnen beoordelen is een analyse van procesdata uitgevoerd. Daarnaast is een er een warmtebalans opgesteld en is er een ontwerp gemaakt hoe de temperatuur kan worden gecontroleerd/beheerst. Tenslotte is de benodigde koel- of verwarmingscapaciteit berekend voor de gistingstanks en andere procesonderdelen van de installatie om tot optimale procescondities te komen.

Jaar: 2018-2019
Opdrachtgever: Waterschap Vallei en Veluwe

Columbus Innovation Group heeft de periferie ontworpen, aanbesteed en de realisatie begeleid voor het pilot project, winning cellulose uit het influent van de RWZI Ede. Om het aandeel medicijnresten uit het afvalwater te kunnen verwijderen en daarmee de toename van concentratie medicijnresten in het oppervlaktewater tegen te gaan, is op de RWZI Ede een pilot installatie gerealiseerd. Hierdoor is het mogelijk gemaakt cellulose uit afvalwater te scheiden en deze vervolgens met behulp van pyrolyse om te zetten in actiefkool.

Columbus Innovation Group was hierbij verantwoordelijk voor het opstellen van het Voorontwerp, Definitief ontwerp, bestek op basis van de UAV-2012 en Uitvoeringsontwerp voor de bouw van de testinstallatie.

Thema duurzame energieopwekking


Jaar: 2022 – 2023
Opdrachtgever: Oxe Geeft Gas. B.V.

Net onder de A1, ter hoogte van Deventer ligt buurtschap Oxe. In het project Oxe Geeft Gas (OGG) hebben vijf melkveehouders en twee lokale leveranciers uit dit gebied hun krachten gebundeld om de landbouw te verduurzamen en groene energie te leveren aan Deventer en omgeving. Ze doen dit door biogas op te wekken door de vergisting van bedrijfseigen rundveemest. CIG heeft voor de afronding van de realisatiefase en de start van de exploitatiefase de Operationeel Directeur ingebracht. De operationeel directeur was verantwoordelijk voor een effectieve exploitatie van het gehele systeem (5 vergisters, biogasnetwerk en biogasopslag) en een stabiele gaslevering naar de afnemers. De operationeel directeur is het interne aanspreekpunt binnen en buiten Oxe Geeft Gas B.V. .

Jaar: 2017
Opdrachtgever: Stichting Duurzaam Noord Deurningen

In opdracht van Stichting Duurzaam Noord Deurningen heeft Columbus Innovation Group een haalbaarheidsonderzoek uitgevoerd naar de inzet van een waterkrachtcentrale in de Dinkel. Het plan is om een waterkrachtcentrale in de stuw ‘Stokkenspiek’ te integreren. Er zijn verschillende technologieën vergeleken. Een belangrijk aspect bij de uiteindelijke keuze, naast de financiële consequenties, is de visvriendelijkheid van de gekozen technologie. Daarnaast is bekeken of het mogelijk is ook terug te kunnen pompen, om zo vistrek in de Dinkel te faciliteren. Waterschap Vechtstromen gaat de komende periode in het kader van het waterhuishoudingsplan van het betreffende gebied een keuze maken ten aanzien van de toekomstige inzet van stuw Stokkenspiek. Daarna kan worden gestart met het uitwerken van het DO.

Jaar: 2016 - 2019
Opdrachtgever: Energie Coöperatie IJskoud

In Noordoost-Twente, het landschap rondom Noord Deurningen, is een uniek project gerealiseerd waarbij de mest van zes melkveebedrijven op boerderijschaal wordt vergist. Het geproduceerde gas wordt vervolgens via een nieuw aangelegd biogasnetwerk getransporteerd naar een afnemer op het nabijgelegen industrieterrein van Denekamp en een kwekerij in de directe nabijheid van het biogasnetwerk. Het biogas wordt ingezet als aardgasvervanger voor de productie van stoom en warm water en wordt zal vanaf het tweede kwartaal van 2019 worden geleverd.


Jaar: 2020 - 2021
Opdrachtgever: Waterschap Noorderzijlvest

Voor de aanbesteding van de nieuw te bouwen RWZI Westerkwartier heeft Waterschap Noorderzijlvest ervoor gekozen om voor de aanbesteding gebruik te maken van Best Value Procurement (BVP). BVP beoogt een maximale reductie te bewerkstelligen van de risico’s en een maximale benutting van de kansen bij de aanbesteding en de realisatie. BVP houdt in dat de aanbestedende dienst (WSNZV) zo min mogelijk randvoorwaarden stelt.

Voor het opstellen van de vraagspecificatie eisen was het noodzakelijk om de klanteisen van WSNZV om te zetten in systeemeisen. Columbus Innovation Group heeft alle klanteisen geëvalueerd en aanvullende systeemeisen (functionele- of raakvlak eisen) geformuleerd en bediscussieerd met het WSNZV. De goedgekeurde systeemeisen zijn uiteindelijk opgenomen in het document vraagspecificatie eisen. CIG heeft de systeemeisen aangevuld met eisen op het gebied van duurzaamheid.

Voor het opstellen en actualiseren van de eisen werd gebruik gemaakt van Relatics.

Jaar: 2020
Opdrachtgever: Waterschap Noorderzijlvest

Columbus Innovation Group heeft een review uitgevoerd om de inzet van fijnzeven ten behoeve van de celluloseterugwinning op de RWZI Westerkwartier te beoordelen. Hierbij is de haalbaarheid van drie denklijnen zoals deze zijn geformuleerd door een leverancier van fijnzeven opnieuw beoordeeld. Naast de technologische consequenties voor de te ontwerpen RWZI Westerkwartier (reducering vuillast met circa 25 %) en de inpasbaarheid van de fijnzeven, zijn de hydraulische belastingen bij RWA en de financiële haalbaarheid geanalyseerd. Verder zijn de mogelijkheden op de afzetmarkt opnieuw geëvalueerd.

Jaar: 2019 - 2020
Opdrachtgever: Waterschap Noorderzijlvest

Columbus Innovation Group heeft samen met het projectteam van Waterschap Noorderzijlvest een aantal sessies uitgevoerd om op basis van expert judgement te kiezen voor één variant/technologie voor het vervangen van RWZI Gaarkeuken. Uitgangspunt was dat de bestaande RWZI Gaarkeuken tijdens de bouw van de nieuwe RWZI Westerkwartier de bedrijfsvoering ongehinderd kan blijven plaats vinden. Op basis van de uitgevoerde Expert Judgement is er één variant geselecteerd die het beste aan de gestelde eisen kan voldoen, voor de realisatie van de nieuwe RWZI Westerkwartier. Het Voor Ontwerp is daarna opgesteld, besproken en goed gekeurd door de opdrachtgever binnen een termijn van 6 weken. Vervolgens zijn de projectrisico’s gezamenlijk met de opdrachtgever geanalyseerd en verwerkt in een V&G rapportage. De kosten behorende bij het Voor Ontwerp zijn opgesteld met behulp van de SSK methodiek.

De projectrisico’s, zover die in de ontwerpfase al bekend zijn, zijn gezamenlijk met de opdrachtgever geanalyseerd en verwerkt in de rapportage V&G ontwerp RWZI Westerkwartier. De kosten behorende bij het Voor Ontwerp zijn opgesteld met behulp van de SSK methodiek.

Jaar: 2019
Opdrachtgever: Energie Coöperatie IJskoud

Het biogasnetwerk Noord Deurningen wordt uitgebreid door de aansluiting van een tweede afnemer. Het gaat hierbij om een kwekerij in de directe nabijheid van het bestaande biogasnetwerk Noord Deurningen. Hiervoor is de aanleg van circa 1 km biogasleiding, de installatie van een biogasketel en de aansluiting op het bestaande biogasnetwerk benodigd. Columbus Innovation Group levert de projectleider voor de realisatie van de nieuwe aansluiting.

Jaar: 2017 - 2018
Opdrachtgever: Wereld Waternet / Ministry of Environment (LEPAP) Lebanon

In het najaar van 2017 heeft Columbus Innovation Group een tweetal tender evaluaties uitgevoerd voor Libanlait in Hosh Sneid in de Bekaa Vallei, de grootste zuivelfabriek van Libanon, en voor het gerenommeerde wijnhuis Ksara in Zahle. De zuivelfabriek verwerkt de melk die afkomstig is van het op de locatie gelegen eigen melkveebedrijf met 3000 koeien.

Tijdens een werkbezoek aan beide locaties, zijn de plannen met het management van de bedrijven in detail besproken. Columbus Innovation Group heeft na deze gesprekken voor beide situaties allereerst een procesontwerp uitgewerkt en is daarna begonnen om de beschikbare offertes te beoordelen. De resultaten met onze adviezen zijn beschreven in een tweetal rapportages. Op basis van deze resultaten hebben een aantal leveranciers voor de mogelijkheid gekregen om op basis van aanvullende informatie hun aanbieding aan te passen en te verduidelijken. CIG heeft de aangepaste offertes opnieuw beoordeeld en een advies voor het vervolg van de aanbesteding uitgebracht aan de opdrachtgevers.

Jaar: 2018
Opdrachtgever: Waterschap Drents Overijsselse Delta

Columbus Innovation Group heeft ondersteuning geleverd aan de afdeling ‘Projectrealisatie’ van het Waterschap Drents Overijsselse Delta. De volgende werkzaamheden zijn hierbij uitgevoerd:
- Het ontwerpen van zuiveringtechnische installaties en onderdelen daarvan.
- Het ontwerpen van systeemgemalen.
- Het schrijven van bestekken, programma van eisen en vraagspecificaties voor de realisatie.
- Uitwerkingen van ontwerpen in een detailraming

Jaar: 2018
Opdrachtgever: Civiele aannemer Van Hattum en Blankevoort

Columbus Innovation Group reageerde op een traject van de afdeling ‘Peilbeheer’ van het Waterschap Rivierenland. We ontwikkelden een oplossing voor het vervangen van oppervlaktewatergemaal De Neust in Tricht. Om de heftige pieken in de RWA op te kunnen vangen moest de capaciteit van gemaal De Neust worden verhoogd naar een capaciteit van 4,4m3/s. Het realiseren van een vispassage was onderdeel van het ontwerp. De grootste uitdaging was het behoud van het bestaande gemaal De Neust, dat een monument is. Het voorstel was de bovenbouw van het gemaal compleet te verplaatsen en na de bouw van het nieuwe gemaal terug te plaatsen. De inzending werd als beste gewaardeerd volgens ‘prestatie-inkoop’ of ‘Best Value Procurement’. Voor het maken van het ontwerp en de verdediging van het ontwerp tijdens een interview, heeft Columbus Innovation Group als ontwerpleider zijn diensten verleend.

Jaar: 2018
Opdrachtgever: Aannemer combinatie Mobilis, RWB, Moekotte en TAUW

Columbus Innovation Group reageerde in 2018 op een traject van het Waterschap Rivierenland. We leverden een oplossing voor het uitbreiden van de hydraulische capaciteit van de RWZI Dodewaard en gelijktijdig voor het aansluiten van de woonkernen Eck en Wiel, Lienden, Zetten en Valburg op een nieuw te bouwen RWZI. De grootste uitdaging was om de installatie energieneutraal te laten werken. De inzending werd als beste gewaardeerd volgens ‘prestatie-inkoop’ of ‘Best Value Procurement’. Voor het maken van het ontwerp en de verdediging van het ontwerp tijdens een interview, heeft Columbus Innovation Group als ontwerpleider zijn diensten verleend aan deze combinatie.

Jaar: 2018
Opdrachtgever: BECH

De bio-energiecentrale Harderwijk gaat op jaarbasis 12,5 miljoen kuub biogas produceren en is volledig circulair ingericht. Deze centrale bestaat uit een vergistingsinstallatie die met warmte van de rioolwaterzuivering biomassa door vergisting verwerkt tot biogas en bodemverbeteraars. Columbus Innovation Group heeft een review gemaakt op het ontwerp en de biogasveiligheid (o.a. ATEX) getoetst met behulp van een hazard and operability study (HAZOP). De uitkomsten uit de HAZOP zijn uitgewerkt in een ontwerpadvies aan BECH en besproken met de ondernemer. De uitgevoerde aanpassingen zijn door Columbus Innovation Group gecontroleerd en gerapporteerd aan BECH.

Jaar: 2017
Opdrachtgever: Gemeente Zaltbommel

In opdracht van de gemeente Zaltbommel heeft Columbus Innovation Group een afvalwater transportsysteem ontworpen voor het verzamelen van het afvalwater van 110 tuinbouwbedrijven in de Bommelerwaard naar de RWZI Zaltbommel. Het ontwerp is tot stand gekomen in een bouwteam, waarin de opdrachtgever nauw samenwerkt met zijn adviseurs. Bij het vaststellen van de uitgangspunten is gebruik gemaakt van Mind Mapping, hiermee is de discussie gevisualiseerd en continu geactualiseerd. Het resultaat van deze discussie is verwerkt in de uitgangspuntenrapportage. Vervolgens zijn de uitgangspunten m.b.v. van system engineering uitgewerkt naar een voorontwerp met Proces Flow Diagram (PFD).

Jaar: 2017
Opdrachtgever: ADS

Voor het Waterschap de Dommel, heeft de CIG in onder aanneming een VO gemaakt voor het realiseren van een nabeluchting in de effluentleiding van de RWZI Eindhoven. In het VO zijn de navolgende procesonderdelen uitgewerkt:

Meetput
Het ontwerpen van een nieuwe meetput aan het einde van de effluentbeluchtingsgoot voor het plaatsen van bemonstering- en analyseapparatuur.
Compressorinstallatie
Aanpassing van de roostergoedruimte van het bedrijfswatergebouw voor het plaatsten van 3 schroefcompressoren inclusief luchtbehandelingskast. De schakelruimte van het bedrijfswatergebouw wordt uitgebreid met nieuw te plaatsten schakelkasten.
Beluchting effluentgoot
Geschikt maken van de bestaande effluentgoot om te kunnen worden ingezet als nabeluchtingsruimte.
By-pass
Naast de bestaande effluentgoot is een nieuwe by-pass leiding voorzien.
Kantelstuw
In het ontwerp van het uitstroomwerk is een stuwinrichting opgenomen met een uitstroompunt voor de by-pass leiding. Het uitstroomwerk is aangepast met een ontwerp van een kantelstuw voor het samenvoegen van de beluchte effluent en effluent dat via de bypass wordt afgevoerd.

Jaar: 2017
Opdrachtgever: Waterschap Vechtstromen

Columbus Innovation Group heeft ondersteuning geleverd aan de afdeling projecten van het Waterschap Vechtstromen, door het detacheren van een zuiveringtechnisch adviseur. Het doel van de ondersteuning was het inventariseren van onderhoudswerkzaamheden van zuiveringstechnische werken.

Jaar: 2017
Opdrachtgever: Aannemersbedrijf van Haarst B.V.

Columbus Innovation Group heeft een voorontwerp gemaakt voor de uitbreiding van de RWZI Kampen. Een ontwerp gebaseerd op het BCFS-principe is uitgewerkt, waarbij rekening is gehouden met de voorwaarden in de vraagspecificatie. Er is tevens ondersteuning verleend bij het uitwerken van de benodigde aanbestedingsdocumenten ‘design en construct’ met als voorwaarden de UAV-GC 2005.

Jaar: 2017
Opdrachtgever: ADS groep Water

ADS groep Water heeft Columbus Innovation Group opdracht gegeven om een second opinion uit te voeren op het voorstel van Royal Haskoning/DHV voor het verwarmen van de thermofiele en mesofiele slibgistingssystemen van de RWZI Zwolle.
Columbus Innovation Group heeft het ontwerp voor het slibverwarmingssysteem beoordeeld en gecontroleerd op eventuele omissies. Voorafgaand aan de uitvoering werd advies uitgebracht over ontwerpverbeteringen. .

Jaar: 2014-2016
Opdrachtgever: Afval en Energie Bedrijf Amsterdam

Voor de afdeling ‘Technologie en Projecten’ heeft CIG gedurende 2 jaar het slibverbrandingsproces van AEB Amsterdam geoptimaliseerd, waardoor de verbrandingscapaciteit is toegenomen van 70Kt/j naar 100Kt/j.
AEB Amsterdam is een huisvuil­verbrandingsentrale die per jaar 1.4Mt afval per jaar verwerkt. Door middel van co-verbranding wordt communaal slib verbrand in de vuilverbranding. Dankzij de ontwikkeling en realisatie van procesaanpassingen is de verwerkingscapaciteit met ruim 40% toegenomen. Vervolgens is een voorontwerp en haalbaarheidsstudie gemaakt voor het drogen van communaal slib tot 95% d.s. tot biogranulaat. De organische natte fractie (ONF) zal uit het huisvuil worden gescheiden en vergist. Voor het verwerken van het digestaat is eveneens een voorontwerp met een haalbaarheidsstudie gemaakt voor het drogen van het digestaat tot 95% d.s. tot biogranulaat.
Beide biogranulaatstromen zijn stabiel, stinken niet en kunnen eenvoudig worden opgeslagen. Het biogranulaat kan worden ingezet als biobrandstof in de vuilverbrander, als stuurbrandstof of elders als groene co-brandstof.

Jaar: 2013-2014
Opdrachtgever: Waterschap Rivierenland

Voor de afdeling ‘Proces Automatisering’ van het Waterschap Rivierenland, heeft Columbus Innovation Group anderhalf jaar het vervangen van de procesautomatisering voor RWZI’s en Afvalwatertransportsystemen begeleid. Het project met de benaming iPA, omvatte 39 rioolwaterzuiverings­installaties en 184 rioolgemalen met een totaal investeringsbedrag van 21 miljoen euro. In het verlengde hiervan zijn de eerste proefopstellingen gemaakt voor de realisatie van een centrale regelkamer.